手机按键测试九游体育app
| 电压: | DC48V | 行程: | 5mm | 电阻: | 192欧 | 功率: | 通1s断1,5s |
| 耐温: | 寿命: | 耐电压: | 初始力: | ||||
| 电流: | 通电率: | 弹簧回力: | 吸力: |
名称:手机按键测试九游体育app
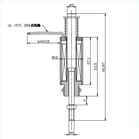
型号:SDL-O0527A-48S192
用于电脑键盘测试,手机按键测试
1、以上参数可根据客户要求定做。
2、外径:13mm
3、总高度:60.87mm
4、九游体育app结构小巧,安装方便。
5、九游体育app垂吊80g的砝码,通电落下,断电复位。
.jpg)

广州思德隆电子有限公司(http://www.cahats.com)创立于2005年,是一家专业生产研发九游体育app定制加工,电磁阀定制,九游(中国),小型九游体育app等各类电磁产品,拥有丰富行业经验的广州九游体育app厂家、广州电磁阀厂家、九游(中国)厂家。品种多样,规格齐全,产品从零部件到成品组装均有自己的加工设备以及产生线,拥有高精密度检测仪器和自主研发的老化设备,已通过(ISO9001认证)专业制造手机按键测试九游体育app从产品设计到样品以及量产,均有量化高效的工艺流程及老化实验检测,保证了产品的质量与订单的按时交货。
广州思德隆九游体育app应用的领域:
1、家用电器用九游体育app:多仕炉用九游体育app、面包机用九游体育app、咖啡机用九游体育app、压力电饭包用九游体育app、洗衣机用九游体育app、空调用九游体育app、洗碗机用九游体育app、消毒碗柜用九游体育app、饮水机九游体育app、微波炉用九游体育app、电唱机九游体育app、DVD光驱CDROM九游体育app、家用喷香机电磁阀等。
2、办公设备九游体育app:(打印机九游体育app、打卡钟九游体育app、复印机九游体育app、传真机九游体育app、扫描仪九游体育app、装订机九游体育app、美工切纸机九游体育app、计算机机箱控制锁九游体育app、喷码机九游体育app、喷墨机九游体育app、碎纸机九游体育app、服装刻绘仪九游体育app,服装喷绘仪九游体育app,刻字机九游体育app,雕刻机九游体育app等)。
| 上一篇:微型电脑键盘测试九游体育app |
| 下一篇:电脑提花机九游体育app |






