按应用分类
型号:SDL-o1665c-220s66
产品使用对象:游戏机
产品执行功能:撞击珠子
游戏机用强力撞击珠子九游体育app定制参数
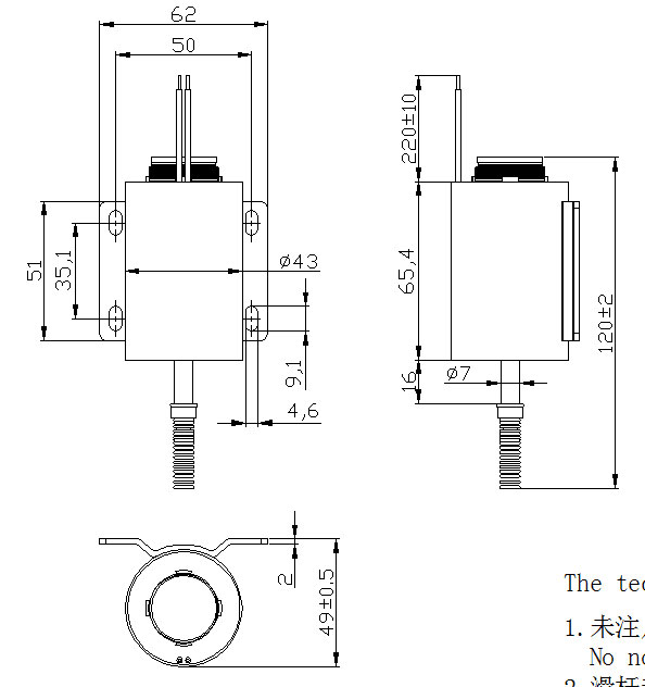
| 电压: | AC220V | 行程: | 16MM | 电阻: | 66 | 功率: | 733W |
| 耐温: | 寿命: | 100万次 | 耐电压: | 初始力: | 8KG | ||
| 电流: | 3.3A | 通电率: | 5% | 弹簧回力: | 吸力: | 8KG |
游戏机用强力撞击珠子九游体育app定制产品详情
游戏机用强力撞击珠子九游体育app定制
型号:SDL-o1665c-220s66
参数
行程:16MM
电压:AC220V
电流:3.3A
电阻:66
功率:733W
初始力:8KG
通电率:5%
寿命:100万次
单次通电时间:0.2S
使用率:1000次/24H
反应速度:0.1次/秒
是否防水:否
是否耐油:否
漫长要求:65
产品使用行业:游戏机
产品执行功能:撞击珠子
拓展适用行业:电力开关
产品特点:高寿命,力量大。



广州思德隆电子有限公司(/)创立于2005年,是一家专业生产研发小型九游体育app等各类电磁产品,拥有丰富行业经验的广州九游体育app厂家、广州电磁阀厂家、九游(中国)厂家。品种多样,规格齐全,产品从零部件到成品组装均有自己的加工设备以及产生线,拥有高精密度检测仪器和自主研发的老化设备,已通过(ISO9001认证)专业制造游戏机用强力撞击珠子九游体育app从产品设计到样品以及量产,均有量化高效的工艺流程及老化实验检测,保证了产品的质量与订单的按时交货。
/elinfo-200.html
/elinfo-199.html
/elinfo-198.html
/elinfo-197.html
关键词:游戏机用强力撞击珠子九游体育app定制






