按应用分类
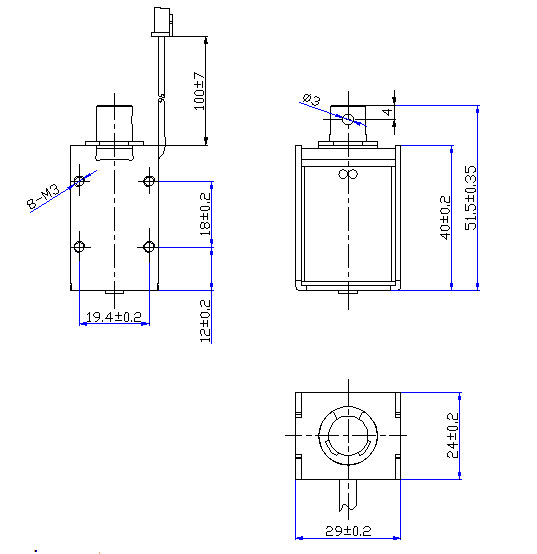
型号:SDL-U1040I-24L36
产品使用对象:线材刻字机
产品执行功能:推拉
东莞线材刻字机用框架推拉九游体育app定制参数
| 电压: | DC24V | 行程: | 3MM | 电阻: | 36 | 功率: | 16W |
| 耐温: | 寿命: | 100万次 | 耐电压: | 初始力: | 850G | ||
| 电流: | 0.67A | 通电率: | 25% | 弹簧回力: | 吸力: | 850G |
东莞线材刻字机用框架推拉九游体育app定制产品详情
东莞线材刻字机用框架推拉九游体育app定制
型号:SDL-U1040I-24L36
参数
行程:3MM
电压:DC24V
电流:0.67A
电阻:36
功率:16W
初始力:850G
通电率:25%
寿命:100万次
产品使用对象:线材刻字机
产品执行功能:推拉
拓展适用行业:电线刻字机九游体育app
产品特点:体积小,使用寿命增大。




广州思德隆电子有限公司(/)创立于2005年,是一家专业生产研发九游体育app定制加工,,小型九游体育app等各类电磁产品,拥有丰富行业经验的广州九游体育app厂家、广州电磁阀厂家、九游(中国)厂家。品种多样,规格齐全,产品从零部件到成品组装均有自己的加工设备以及产生线,拥有高精密度检测仪器和自主研发的老化设备,已通过(ISO9001认证)专业制造线材刻字机用框架推拉九游体育app从产品设计到样品以及量产,均有量化高效的工艺流程及老化实验检测,保证了产品的质量与订单的按时交货。
/newsinfo-87.html
/newsinfo-80.html
/newsinfo-78.html
/newsinfo-77.html
/newsinfo-76.html
关键词:线材刻字机用九游体育app,刻字机用框架推拉九游体育app






