按应用分类
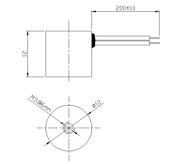
型号:SDL-XP1212A-24L540
产品使用对象:机械设备
产品执行功能:吸铁片
生产线上料机用微型电磁吸盘 取料机用吸盘式九游体育app参数
| 电压: | DC24V | 行程: | 0 | 电阻: | 540欧 | 功率: | 1.1W |
| 耐温: | 65度 | 寿命: | 50万次 | 耐电压: | 初始力: | 1KG | |
| 电流: | 44MA | 通电率: | 100% | 弹簧回力: | 吸力: | 1KG |
生产线上料机用微型电磁吸盘 取料机用吸盘式九游体育app产品详情
生产线上料机用微型电磁吸盘 取料机用吸盘式九游体育app
型号:SDL-XP1212A-24L540
参数
行程:0
电压:DC24V
电流:44MA
电阻:540欧
功率:1.1W
初始力:1KG
通电率:100%
寿命:50万次
单次通电时间:10S
是否防水:是
是否耐油:是
温升要求:65度
产品使用行业:机械设备
产品执行功能:吸铁片
拓展适用行业:生产线、机械手
产品特点:体积小,控制方便,吸力大





广州思德隆电子有限公司(http://www.cahats.com)创立于2005年,是一家专业生产研发九游体育app定制加工,电磁阀定制,九游(中国),小型九游体育app等各类电磁产品,拥有丰富行业经验的广州九游体育app厂家、广州电磁阀厂家、九游(中国)厂家。品种多样,规格齐全,产品从零部件到成品组装均有自己的加工设备以及产生线,拥有高精密度检测仪器和自主研发的老化设备,已通过(ISO9001认证)专业制造上料机用微型电磁吸盘,取料机用吸盘式九游体育app从产品设计到样品以及量产,均有量化高效的工艺流程及老化实验检测,保证了产品的质量与订单的按时交货。
/elinfo-173.html
/elinfo-172.html
/elinfo-171.html
/elinfo-170.html
关键词:上料机用微型电磁吸盘,取料机用吸盘式九游体育app






