按应用分类
24V方形吸盘九游体育app_机械手电磁吸盘
发布日期:2017-1-20 来源:思德隆 标签:吸盘式九游体育app 浏览次数:6986
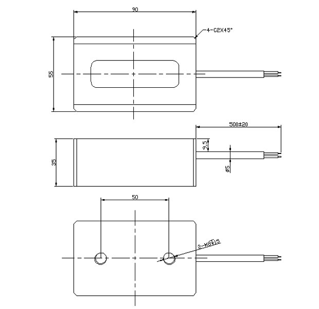
型号:SDL-XP9055A-24S57.6
产品使用对象:机械手
产品执行功能:起重、吸附
24V方形吸盘九游体育app_机械手电磁吸盘参数
| 电压: | DC24V | 行程: | 0MM | 电阻: | 57.6欧 | 功率: | 10W |
| 耐温: | 寿命: | 耐电压: | 初始力: | 115KG | |||
| 电流: | 417MA | 通电率: | 100% | 弹簧回力: | 吸力: | 115KG |
24V方形吸盘九游体育app_机械手电磁吸盘产品详情
24V方形吸盘九游体育app_机械手电磁吸盘
型号:SDL-XP9055A-24S57.6
参数
行程:0MM
电压:DC24V
电流:417MA
电阻:57.6欧
功率:10W
初始力:115KG
通电率:100%
是否防水:是
是否耐油:是
产品使用行业:机械手



广州思德隆电子有限公司(http://www.cahats.com)创立于2005年,是一家专业生产研发九游体育app定制加工,电磁阀定制,九游(中国),小型九游体育app等各类电磁产品,拥有丰富行业经验的广州九游体育app厂家、广州电磁阀厂家、九游(中国)厂家。品种多样,规格齐全,产品从零部件到成品组装均有自己的加工设备以及产生线,拥有高精密度检测仪器和自主研发的老化设备,已通过(ISO9001认证)专业制造24V方形吸盘九游体育app,机械手电磁吸盘从产品设计到样品以及量产,均有量化高效的工艺流程及老化实验检测,保证了产品的质量与订单的按时交货。
关键词:24V方形吸盘九游体育app,机械手电磁吸盘






