按应用分类
大力冲床九游体育app/离合器九游体育app/断路器开关九游体育app
发布日期:2015-12-28 来源:思德隆 标签:游戏机九游体育app 浏览次数:9849
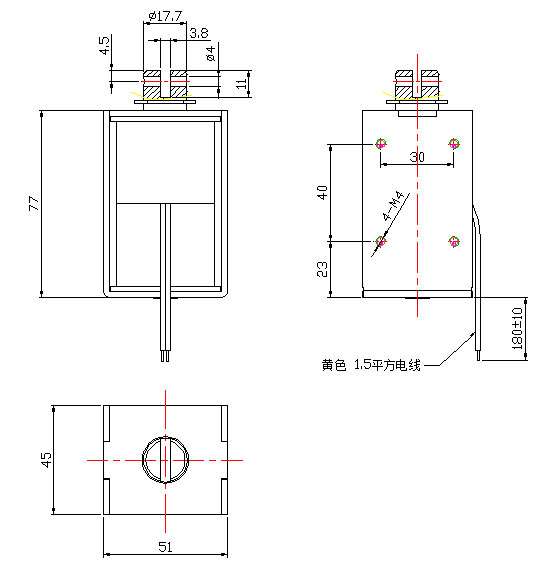
型号:SDL-u1877A-110A700
产品使用对象:断路器
产品执行功能:推动部件
大力冲床九游体育app/离合器九游体育app/断路器开关九游体育app参数
| 电压: | DC110 | 行程: | 15mm | 电阻: | 700欧 | 功率: | |
| 耐温: | 155度 | 寿命: | 50万次以上 | 耐电压: | 1500V | 初始力: | 1kg |
| 电流: | 通电率: | 弹簧回力: | 吸力: |
大力冲床九游体育app/离合器九游体育app/断路器开关九游体育app产品详情
产品名称:开关九游体育app
型号:SDL-u1877A-110A700
行程:15mm
电压:DC110
初始力:1kg
通电率:100%
电阻:700欧
寿命:50万次以上
样品使用行业:断路器
样品执行功能:推动部件
拓展适用行业:离合器
电线外露180mm
说明:
1. 九游体育app铁芯耐磨,撞击性好,长年使用顶部无损;
2. 线包采用优质漆包线制成,耐温,耐高压,电流稳定,磁感应强度稳定;
3.良好的框架结构设计和铆合,有效解决九游体育app散架问题。
4.九游体育app寿命达到50万次以上。动感持久不衰。
产品特点:通电时间长,力度大



广州思德隆电子有限公司(http://www.cahats.com)创立于2005年,是一家专业生产研发九游体育app,电磁阀,九游(中国),小型九游体育app等各类电磁产品,拥有丰富行业经验的广州九游体育app、电磁阀、九游(中国)厂家。品种多样,规格齐全,产品从零部件到成品组装均有自己的加工设备以及流水线,拥有高精密度检测仪器和自主研发的老化设备,大力冲床九游体育app,离合器九游体育app,开关九游体育app,断路器开关九游体育app从产品设计到样品以及量产,均有量化高效的工艺流程及老化实验检测,保证了产品的质量与订单的按时交货。
关键词:大力冲床九游体育app,离合器九游体育app,断路器开关九游体育app
| 上一篇:电梯安全装置触发九游体育app |
| 下一篇:按摩枪九游体育app |






