按应用分类
游戏机用大行程框架式推拉九游体育app
发布日期:2017-6-16 来源:思德隆 标签:/electromagnetsort-1.html 浏览次数:5866
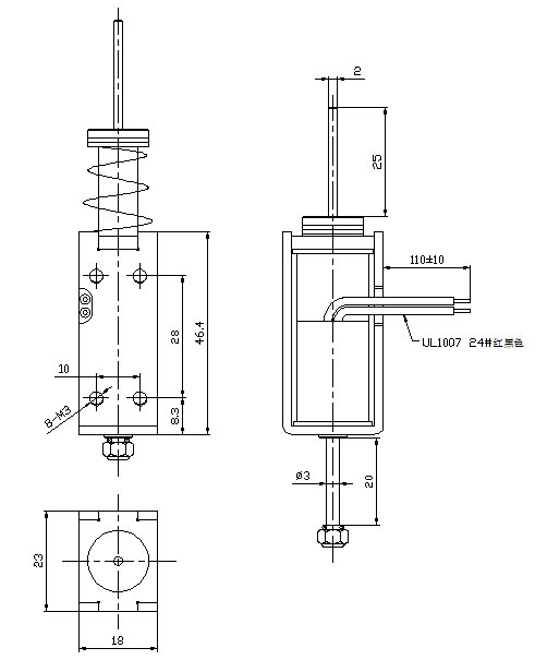
型号:SDL-U0946B-24S24
产品使用对象:游戏机
产品执行功能:推拉
游戏机用大行程框架式推拉九游体育app参数
| 电压: | DC24V | 行程: | 20mm | 电阻: | 24 | 功率: | 24W |
| 耐温: | 寿命: | 20万次 | 耐电压: | 初始力: | 80g | ||
| 电流: | 1A | 通电率: | 10% | 弹簧回力: | 吸力: | 80g |
游戏机用大行程框架式推拉九游体育app产品详情
游戏机用大行程框架式推拉九游体育app
型号:SDL-U0946B-24S24
行程:20mm
电压:DC24V
电流:1A
电阻:24
功率:24W
初始力:80g
通电率:10%
寿命:20万次
单次通电时间:0.5秒
产品使用对象:游戏机
产品执行功能:推拉
拓展适用行业:自动化设备
产品特点:体积小,力量大,行程长,通电时间长。




广州思德隆电子有限公司(/)创立于2005年,是一家专业生产研发九游体育app定制加工,小型九游体育app等各类电磁产品,拥有丰富行业经验的广州九游体育app厂家。品种多样,规格齐全,产品从零部件到成品组装均有自己的加工设备以及产生线,拥有高精密度检测仪器和自主研发的老化设备,已通过(ISO9001认证)专业制造游戏机用大行程框架式推拉九游体育app从产品设计到样品以及量产,均有量化高效的工艺流程及老化实验检测,保证了产品的质量与订单的按时交货。
/newsinfo-89.html
/newsinfo-88.html
/newsinfo-87.html
/newsinfo-80.html
关键词:游戏机用推拉九游体育app,大行程框架式推拉九游体育app






