按应用分类
铜带机九游体育app
发布日期:2015-12-16 来源:思德隆 标签:牵引式九游体育app 浏览次数:11493
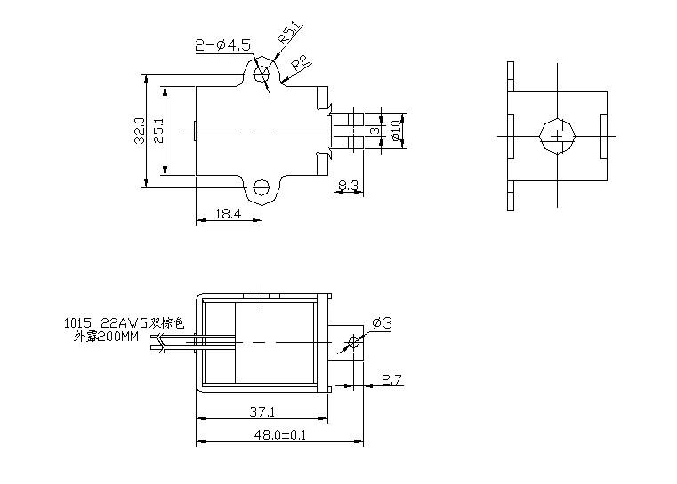
型号:SDL-U1038A-220L
产品使用对象:铜带机
产品执行功能:牵引
铜带机九游体育app参数
| 电压: | AC220V | 行程: | 10mm | 电阻: | 功率: | ||
| 耐温: | 寿命: | 耐电压: | 初始力: | 1.5kg | |||
| 电流: | 1A-2.5A | 通电率: | 弹簧回力: | 0.8kg | 吸力: |
铜带机九游体育app产品详情
名称:铜带机九游体育app
型号:SDL-U1038A-220L
参数:
电压:AC220V
行程:10mm
初始力:1.5kg
弹簧回弹力:0.8kg
电流:1A-2.5A
性能:
1、线圈加大,拉推力强;
2、框架加固,不会因为震动而散架;
3、加装自动恢复保险丝,在电压不稳定的时候不烧坏九游体育app和电路;
4、拉杆两端均有凹槽,便于链接;
5、采用上饶优质耐高温漆包线,老化慢,性能稳定;
6、采用大号导线,降低不必要电损。

.jpg)
广州思德隆电子有限公司(http://www.cahats.com)创立于2005年,是一家专业生产研发九游体育app厂家,电磁阀,九游(中国),小型九游体育app等各类电磁产品,拥有丰富行业经验的广州引式九游体育app制造商、电磁阀、九游(中国)厂家。品种多样,规格齐全,产品从零部件到成品组装均有自己的加工设备以及流水线,拥有高精密度检测仪器和自主研发的老化设备,铜带机九游体育app从产品设计到样品以及量产,均有量化高效的工艺流程及老化实验检测,保证了产品的质量与订单的按时交货。
关键词:铜带机九游体育app,铜带机九游体育app厂家,铜带机九游体育app订做
| 上一篇:自动智能门锁九游体育app |
| 下一篇:游戏无线手枪九游体育app |






