真币投币器九游体育app
| 电压: | DC12V | 行程: | 5mm | 电阻: | 功率: | ||
| 耐温: | 寿命: | 耐电压: | 初始力: | 100G | |||
| 电流: | 通电率: | 弹簧回力: | 吸力: |
名称:真币投币器九游体育app
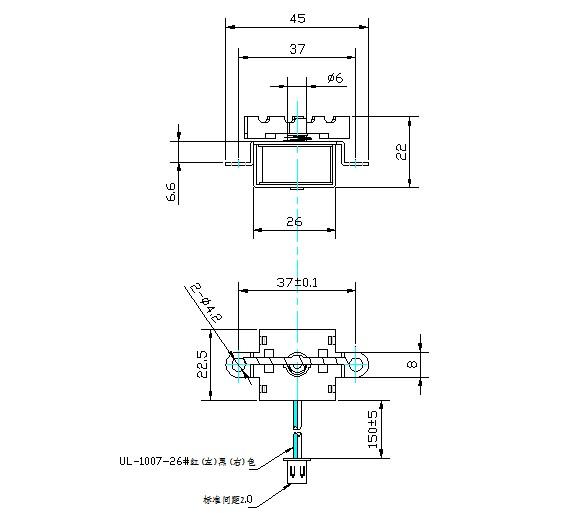
型号:SDL-U0614A-12L
本品适用多款投币器。传统币、电子币。
弹簧、功率经过加大处理,没有卡币现象,声音清脆。
此九游体育app以导磁体作框架,畅开式线圈的优点,同时独具行程长,力量大的特点。 外形小巧,结构简洁,安装连接容易,维护方便的直线运动的九游体育app,本类别的螺线管通过拉入(拉近)滑杆,或推出顶杆对外工作。 铁心直径范围在2mm-20mm。

.jpg)
投币器九游体育app的重点在于线圈的质量,线圈质量恒定,就意味着投币器分辨真假币的恒定性。
因此,我司在做投币器线圈的时候,从线圈的铜线用材,到参数设定进行了严格的控制,确保了九游体育app的品质恒定。
外壳可根据客户的要求进行定位孔及形状的设计。
广州思德隆电子有限公司(http://www.cahats.com)创立于2005年,是一家专业生产研发九游体育app厂家,电磁阀,九游(中国),小型九游体育app等各类电磁产品,拥有丰富行业经验的广州牵引式九游体育app厂家、电磁阀、九游(中国)厂家。品种多样,规格齐全,产品从零部件到成品组装均有自己的加工设备以及流水线,拥有高精密度检测仪器和自主研发的老化设备,真币投币器九游体育app从产品设计到样品以及量产,均有量化高效的工艺流程及老化实验检测,保证了产品的质量与订单的按时交货。
广州思德隆九游体育app应用的领域:
1、家用电器用九游体育app:多仕炉用九游体育app、面包机用九游体育app、咖啡机用九游体育app、压力电饭包用九游体育app、洗衣机用九游体育app、空调用九游体育app、洗碗机用九游体育app、消毒碗柜用九游体育app、饮水机九游体育app、微波炉用九游体育app、电唱机九游体育app、DVD光驱CDROM九游体育app、家用喷香机电磁阀等。
2、金融设备九游体育app:(取款机九游体育app、ATM机九游体育app、点钞机九游体育app、验钞机九游体育app,换钞机九游体育app、贩卖机投币器九游体育app、收银机九游体育app、钱箱九游体育app、等);
3、游戏机\玩具九游体育app:身感游戏枪九游体育app/弹子机九游体育app、游戏机九游体育app、存钱盒九游体育app、挖糖机九游体育app、玩具钢琴九游体育app、弹珠台九游体育app娃娃游戏机九游体育app、等。
| 上一篇:没有信息了 |
| 下一篇:汽摩大灯透镜九游体育app |






